第263回 関東三土会(2025年09月20日)

総括


出品作品

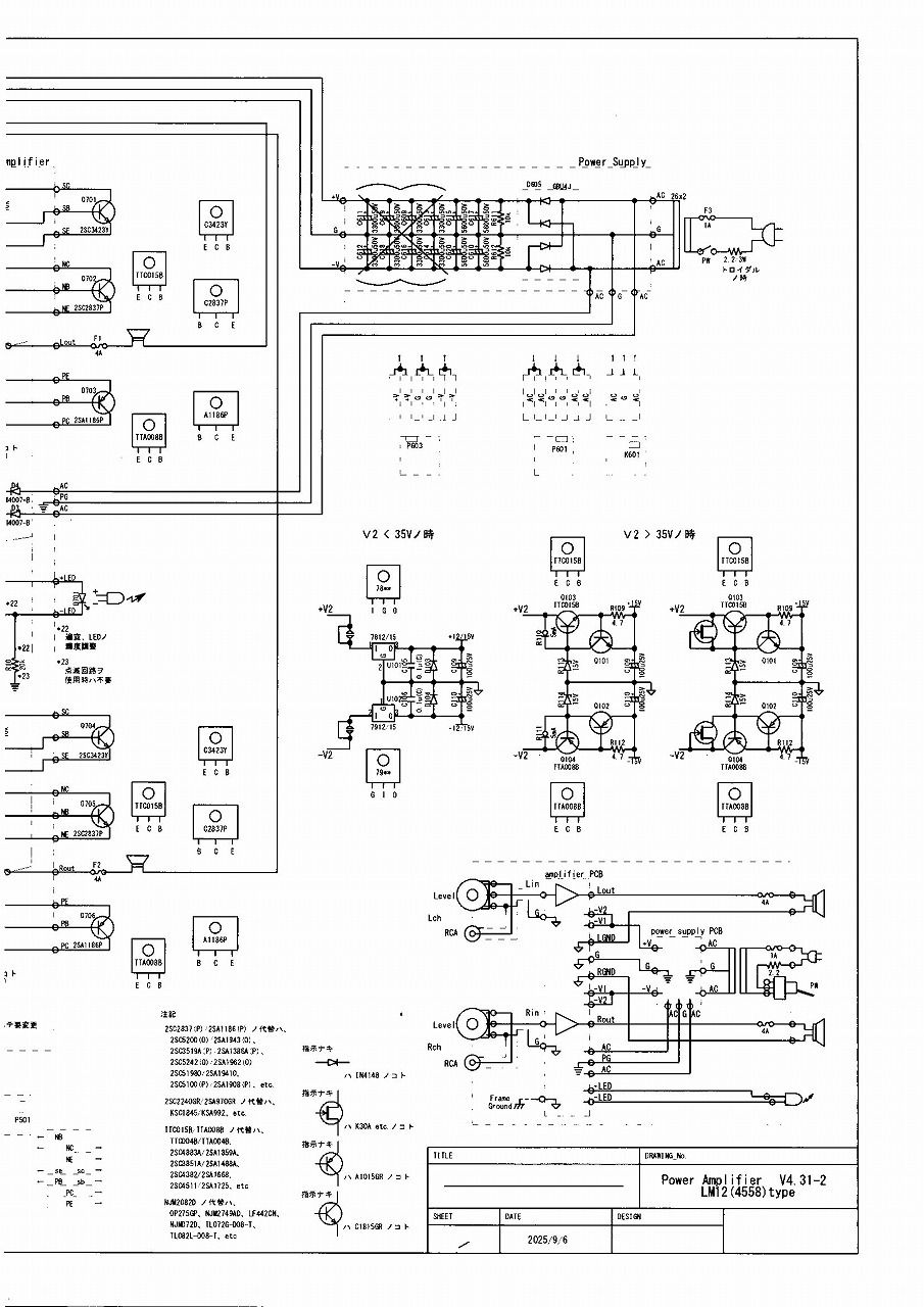
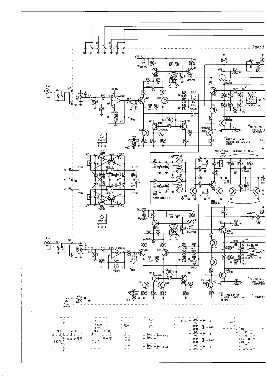
小型アンプ 小高 さん
 更に小型になった改良版アンプ。放熱器も小型になったのでバイアス電流も抑えてあるが結構発熱している。
出品者のコメント:
関連資料です。
 http://www.hi-ho.ne.jp/odaka/quad/sando40.html
MarkAudio Alpair5G 石田 さん
 MarkAudioのカラスコーン紙を使った小型フルレンジスピーカ。そのせいか今までに無いちょっと違うような音がする。
出品者のコメント:
 新しい振動板素材として注目されるガラス振動板ですが、やはり他とはチョッと違った音がしていました。
 その意味では面白いスピーカだと思います。是非どこかで聞いてみてください。
デモでは少し低音不足のようだったのでローブーストを入れています。
20cmサブウーファ3Way 土屋 さん
 新作の3Wayの製作苦労話を聞かせていただいた。

 頭初の案ではウーファ上面の反射とミッドの干渉で特性が乱れたので、ミッドの向きを90度変更したとのこと。ウーファとのクロス周波数は少し低過ぎるかも。
出品者のコメント:
サブウーファー式で20cmカーボン28Lボイド管Xover160hz+8cmアルミ振動板1.5Lアルミ箱Xover3.6khz +3cmチタンの3wayを4chアンプドライブで中高域はLCネットワークです。

でっち上げ感満載で測定データも用意できませんでしたがそこそこ鳴って良かったです。
ミッドレンジの低域改善やサブウーファーユニットのパラメータ変更等改善したい場所が数カ所あります、年末までにはそれなりの完成度にしたいと思ってます。
閉会後の会食会雑談中にふと思いついた事があるのでその実験を始めてみたいと思ってます次回間に合えば持て行きます、皆様との雑談は中々に有意義で貴重な時です。
768kHz DAC 池田 さん
 市販の基板を上手く組み合わせてハイサンプリングソースを聞かせて頂いた。DACチップの高性能化で768fsも再生できるようだ。
出品者のコメント:

スナップショット


編集パスワード: